使用范围
ZJH型带溢流阀罗茨真空泵,在原有的基础上(ZJ、ZJP)改进的第四代新产品,利用一对8字型转子在泵腔中作等速反向转动而产生吸气和排气作用。每个转子用两个轴承支承,利用一对同步齿轮,使两个转子的相对位置始终保持不变,转子与转子、转子与泵体、转子与侧盖之间都有间隙,因而工作腔内没有摩擦,无需润滑。泵转子的支承采用了可靠的消隙结构,风叶采用电脑动平衡高精度斜齿轮,运行平稳,噪声低,使用更加可靠,可在高压差下长期运行。动密封部位采用我公司产品特殊密封,保证泵腔内无油无水无泄露,解决罗茨泵老大难(齿轮油进入泵腔内,泵内吸到水到齿轮及漏油现象),确保齿轮和轴承使用寿命。本型泵的进气和排气口之间装有自重阀,其作用是当排气口与进气口之间的压力差超过阀自重时,阀自动打开。这个压力是泵能可靠运行的最大压力差。因而带流阀罗茨泵具备自动防过载功能。
ZJH型罗茨真空泵在较低的入口压力下具有较大的抽气速率,并具备自动防载功能。但是,由于本型泵的结构属于干式间隙密封,为了获得一定的抽气速率和真空度,减少返流,必须降低前级泵的压力,因此使用时必须有前级真空泵与之串联,前级真空泵抽到一定的真空度(0.08mpa至0.09mpa),再起动罗茨真空泵,根据实际需要,可选用不同的真空泵作为前级泵,如爪式无油泵、螺杆泵、2H滑阀泵、2X旋片泵、水环泵(立式无油泵),得到的极限真空度有所不同。水环泵作为前级泵时,特别适合抽除大量可凝性气体的场合。
![]() | ![]() | ![]() |
| ZJH罗茨真空泵(新型) | ZJH罗茨真空泵(新型) | ZJH罗茨真空泵(新型) |
性能规格
主要性能参数
注:本泵型有普通密封和特殊密封,磁性传动型号后加A.罗茨真空泵需要前级泵配套使用,选用不同的前级泵得到极限压力有所不同。
| 型号/名称 Model/Name | ZJH-15 | ZJH-30 | ZJH-70 | ZJH-150 | ZJH-300 | ZJH-600 | ZJH-1200 | ZJH-2500 | ZJH-3300 | ZJH-4000 | ZJH-5000 | ZJH-8000 | ZJH-10000 | |
| 抽气速率 Exhaust Rate | (L/S) | 15 | 30 | 70 | 150 | 300 | 600 | 1200 | 2500 | 3300 | 4000 | 5000 | 8000 | 10000 |
| (m3/h) | 54 | 108 | 252 | 540 | 1080 | 2160 | 4320 | 9000 | 11880 | 14400 | 18000 | 28800 | 36000 | |
| 极限压力 Ultimate Pressure ≤(Pa) | 6*10-2 | 6*10-2 | 6*10-2 | 6*10-2 | 6*10-2 | 6*10-2 | 6*10-2 | 6*10-2 | 6*10-2 | 6*10-2 | 6*10-2 | 6*10-2 | 6*10-2 | |
| 功率(KW) Motor Power | 0.55 | 1.1 | 1.1 | 2.2 | 3∕4 | 5.5∕7.5 | 7.5∕11 | 15 | 18.5 | 22 | 30 | 45 | 55 | |
| 转速(rpm) Rotational Speed | 1420 | 2840 | 2840 | 2880 | 2890 | 2900 | 2940 | 2940 | 2940 | 2940 | 2950 | 2970 | 2970 | |
| 噪音Db Noise(A) | 50 | 50 | 50 | 50 | 55 | 55 | 60 | 60 | 60 | 70 | 70 | 70 | 70 | |
| 口径(mm) Diameter | 进口 Inlet | 45 | 45 | 80 | 100 | 160 | 200 | 250 | 320 | 320 | 320 | 320 | 320 | 320 |
| 出口 Outlet | 45 | 45 | 50 | 80 | 100 | 160 | 200 | 200 | 250 | 250 | 250 | 250 | 250 | |
| 冷却形式 Cooling form | 有水冷和自然冷 | |||||||||||||
泵实际抽速-进气压力曲线
工作原理图
![]() | ![]() |
| (图1) | (图2) |
![]() | ![]() |
| (图3) | (图4) |
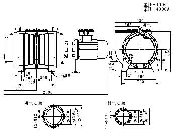
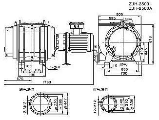
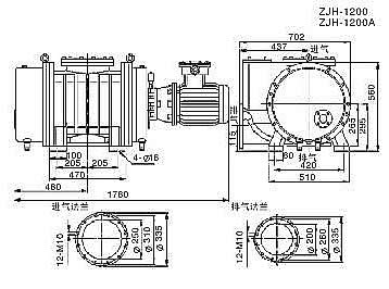
外形及安装尺寸
![]() |
| ZJH罗茨真空泵(新型) |
| (图1) | ![]() |
| (图2) | ![]() |
| (图3) | ![]() |
| (图4) | ![]() |
| (图5) | ![]() |
| (图6) | ![]() |
| (图7) | ![]() |
| (图8) | ![]() |