使用范围
W系列往复式真空泵是获得粗真空的主要真空设备之一。广泛应用于化工、食品、建材等部门,特别是在真空结晶、干燥、过滤、蒸发等工艺工程中更为适宜。
![]() | ![]() | ![]() |
| W4-1 W5-1 | W3 W4 | W5 |
性能规格
主要性能参数
| 型号/项目 | WY-50 (W3) | W-70 | W4-1 | W-100 (W4) | W-150 | W5-1 | W-50 (W3) | W-100 (W4) | W-200 (W5) | W-300 (W6) | |
| 抽气速率 (L/s) | 50 | 70 | 100 | 100 | 150 | 200 | 50 | 100 | 200 | 1080 | |
| 极限真空 kpa(TOrr) | 1.3(10) | 2.6(20) | 2.6(20) | 1.3(10) | 2.6(20) | 2.6(20) | 1.3(10) | 1.3(10) | 1.3(10) | 2600 | |
| 转速 (r/min) | 300 | 364 | 530 | 200 | 300 | 430 | 300 | 200 | 200 | 300 | |
| 配用电动机 型号 | Y132S-4 | Y160M-6 | Y160M-4 | Y160L-6 | Y180L-6 | Y200L-6 | Y132S-4 | Y160L-6 | Y200L3-6 | 30 | |
| 配用功率 (Kw) | 5.5 | 7.5 | 11 | 11 | 15 | 22 | 5.5 | 11 | 22 | 450x200 | |
| 吸排气口 直径(mm) | 50 | 80 | 80 | 80 | 125 | 125 | 50 | 80 | 125 | 175mm | |
| 进出水口 直径(寸) | 1/2 | 1/2 | 1/2 | 3/4 | 3/4 | 3/4 | 1/2 | 3/4 | 3/4 | 175mm | |
| 气缸直径* 径程(mm) | 250x150 | 250x150 | 250x150 | 350x200 | 350x200 | 350x200 | 250x150 | 350x200 | 455x250 | 3/4 | |
| 外形尺寸 (mm) | 长 | 1411 | 1490 | 1490 | 1780 | 1927 | 1812 | 1411 | 1780 | 2335 | 3/4 |
| 宽 | 625 | 580 | 580 | 767 | 633 | 659 | 625 | 767 | 1010 | 1980 | |
| 高 | 640 | 542 | 542 | 891 | 772 | 542 | 640 | 891 | 1162 | 745 | |
| 重量(Kg) 不含电机 | 400 | 440 | 440 | 760 | 800 | 760 | 420 | 790 | 1520 | 980 | |
泵实际抽速-进气压力曲线
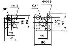
外形及安装尺寸1(W-70、150,W4-1、W5-1系列)
![]() | ![]() |
![]() | ![]() |
| W-70进排气口尺寸 ;; W-150进排气口尺寸 W4-1进排气口尺寸 ;; W5-1进排气口尺寸 详细参数参照以下左表>;;;>;;; |
外形及安装尺寸2(W3、W-50,W4、W-100,W5、W-200系列)
![]() | |
![]() | ![]() |
![]() | |
![]() | ![]() |